Outer Rotor Motor Fan
°ßÀû¹®ÀÇ
Àüȹ®ÀÇ
īŻ·Î±×
ÀÎÁõ¼
Á¦Ç° ºñ±³
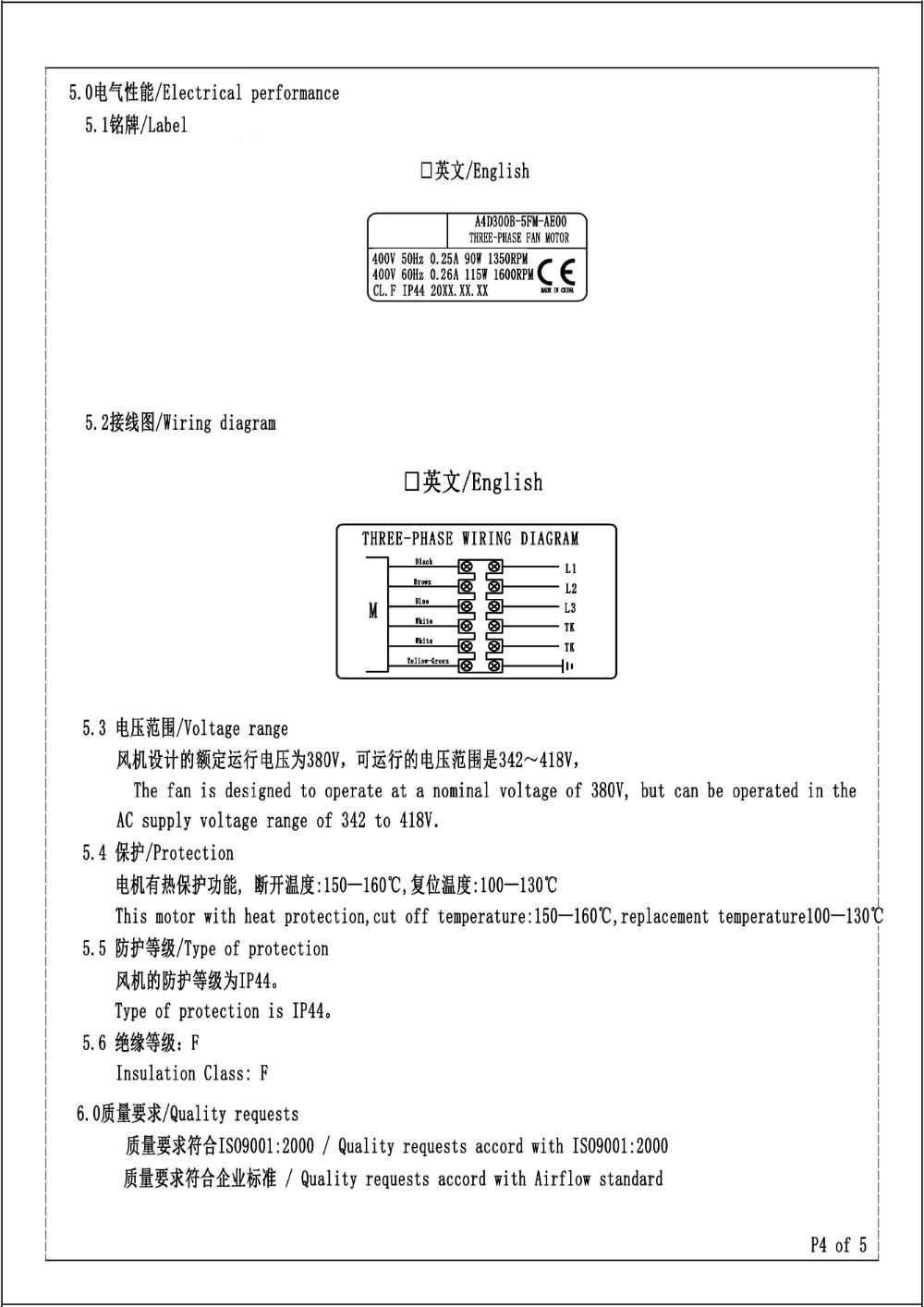
WA4D300S-5DM-AE00with plate(AC 400V, 430*430*145T) W4D300-CS34-30 = ȣȯÁ¦Ç° EBM W4D300-CS30
Á¦Ç° °Ë»ö
Á¦Ç° Ä«Å×°í¸®
AC FAN
115V
220V
380VÀÌ»ó
FREE 100~230V
DC FAN
5VÀÌÇÏ
5V
12V
24V
48V
BLOWER FAN
BLOWER FAN (AC)
BLOWER FAN (DC)
CROSS FAN
CROSS FAN (AC)
CROSS FAN (DC)
WHC (W CROSS FAN)
CENTRIFUGAL FAN
Centrifugal AC
Centrifugal DC
Centrifugal Blower
Outer Rotor Motor Fan
È÷ÅÍÆÒ
¿¡¾î È÷ÅÍ FAN
PTCÈ÷ÅÍ
īƮ¸®Áö È÷ÅÍ
½ÃÁî È÷ÅÍ
¾×¼¼¼¸®
Cover
Plastic
Filter
¸Å¸³Çü ºø»ìÇÊÅÍ (FHC)
ºø»ì filter (FHC)
Mesh filter
Cord
¼ÓµµÁ¶Àý±â
¾î´ðÅÍ(Adapter)
-
Á¦Á¶»ç
WFAN
-
Àü¾Ð
240-400V
»óǰ»ó¼¼º¸±â



ȣȯÁ¦Ç° EBM W4D300-CS30


ÀÌ Á¦Ç°°ú ÇÔ²² »ç¿ëÇÏ´Â Ãßõ ¾×¼¼¼¸®
Á¦Ç°¿¡ ÃÖÀûÈµÈ ¾×¼¼¼¸®¸¦ È®ÀÎÇϼ¼¿ä
